挤出失败?成品缺陷?医疗TPU加工前请这样干燥!
来源:UTPE弹性体门户发布时间:2023-07-04关注度:8020次
随着行业技术的进步,TPE/TPU作为一种医用材料受到越来越多的重视,各种医用热塑性弹性体迅速被开发出来。医用TPE/TPU材料的生物性能、机械性能以及加工性能均与PVC相当,甚至更加优异,同时无毒,且不需要添加助剂进行加工。具有良好的延伸性和抗挠曲性,强度高、耐磨损,生物相容性好、无致畸变作用、无过敏反应,血液相容性、抗血栓性能好,且不损伤血液成分,同时TPE/TPU具有优异的物理机械性能和加工性能,使其在医疗领域得到广泛应用。
为什么说加工前一定要干燥TPU
1.TPU具有较强的吸湿性
TPU(thermoplastic polyurethanes热塑性聚氨酯)是一个由硬和软段的交替序列组成的嵌段共聚物(见图1) 。它的化学结构由硬段和软段组成, 软段提供材料的柔韧性,硬段提供其热塑性、加工性和强度。硬段和软段的比例可以被设计,所以TPU有着较为广泛的硬度范围(路博润常用的医疗级TPU的硬度范围为邵氏62A到邵氏87D)。
图:TPU软硬段组成示意图
从TPU结构上来看,其硬段具有较强的吸湿性,大多数聚氨酯在暴露于大气环境时最多吸收3%的水分(吸水型TPU更高),并且一般来说硬度越大吸湿性越强。常规聚醚和聚酯型TPU在不同湿度环境下的含水率(如图2),环境的温度越高、湿度越大, TPU的吸水量越大。
图:聚醚型和聚酯型TPU在不同条件下的水分吸收率
2.TPU在高温加工过程中
水分的出现会加速分解反应;如图3所示的反应会导致聚合物链分解成胺和二氧化碳。医疗级TPU由于不添加耐水解剂以及在抗氧剂种类和数量上的限制,这一反应过程尤为突出。
图:高温时TPU在水分存在的条件下的分解机理
加工前务必对医疗级TPU进行充分干燥
TPU树脂在成型过程中,过量的水分会导致成型的零件产生气泡和其他缺陷。在加工TPU 之前,必须对TPU进行充分的干燥,使水分的含量降低到一定的限度(< 0.02%),以避免出现以下问题:
① 水分较高时,主链断裂,分子量的减少
② 机械性能损失(见表1)
③ 最终产品的缺陷:表面缺陷(晶点、气泡等)
④ 加工过程中的压力波动(尺寸不稳定)
表 水分含量对典型的 80ATPU加工后的机械性能的影响
图4是TPU在不同水分含量下树脂压力随温度升高而降低的示意图。可以看出当含水量超出树脂的推荐加工温度限度时,压力迅速下降。在某种程度上挤出压力的变化情况也可以作为TPU树脂水分含量的一个指标,压力变化快意味着水分含量高。挤出压力的变化太快,就很难进行稳定的挤出生产,导致制品的尺寸稳定性差。
图:湿度对TPU加工性能的影响
同时水分含量也决定着TPU加工的时间窗口。图5显示了芳香族TPU降解过程中温度和时间的关系。其在水分含量较高和较低时的开始降解温度为150℃和180℃,和水分有很大的关系。由于大多数芳香族TPU的加工温度都高于180℃, 含水量大于0.15%时的TPU在180℃时开始降解的时间窗口只有不到5分钟;而低含水量(< 0.05%)的TPU的稳定时间为25分钟,所以TPU材料加工前需要彻底干燥,以保证加工过程中不分解。

图:TPU含水量对降解时间的影响(芳香族TPU)
常用的干燥设备
除湿干燥机
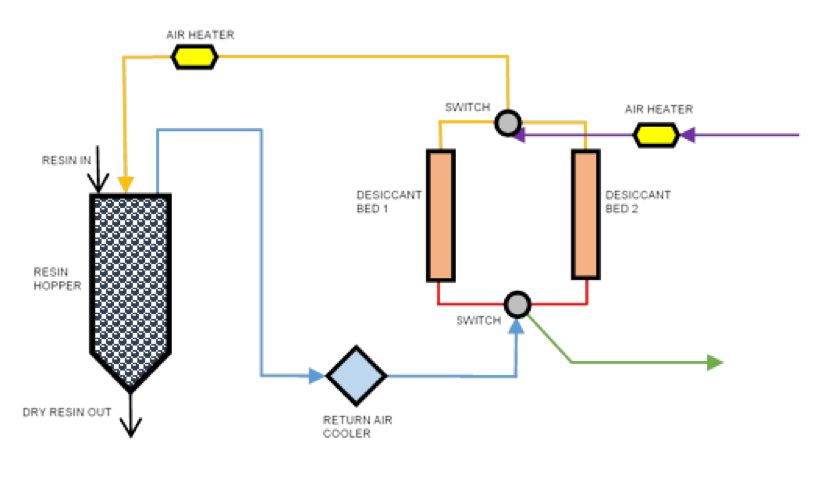
除湿干燥机的原理是在对树脂用加热的“干”空气的闭环循环。干燥出来的水分释放到经过的热空气中。“湿”空气随后通过干燥剂分子筛材料,这种材料能够从循环空气中吸收水分,使之“干燥”。有两种形式的干燥系统,一种是干燥床系统(见图6),另一种是干燥轮系统(见图7)。
图:2型干燥床除湿干燥机原理图
图:轮式除湿干燥机原理图
露点仪和校准
除湿干燥机的规格将给出它在最佳状态下可能达到的最低露点的指示。如果露点大约零下40°C,这样的除湿干燥机是具备干燥医疗级TPU的能力的。
露点测量的准确度随时间的推移而迅速下降。露点表需要经常校准,尤其是连续使用时。偏差与实际发生的情况相反(也就是说,测量的露点读数会随着时间而降低) 。事实上,随着干燥剂的老化,它的效率会降低,真正的露点会上升(见图8)。
图:干燥机实际露点与实测露点差异的例子
干燥医疗级TPU的打开放式
1.测试水分含量
可以使用简单的精度为0.001%重量损失水分分析仪来测定(图1)。建议取10g左右的树脂在145℃ 10分钟的条件下使用水分分析仪来快速测定TPU中的水分含量。
由于医疗级TPU有生物安全性能的要求,在配方上和工业TPU有较大的区别,很多加工助剂是限量添加甚至禁止添加的,所以医疗TPU的加工对含水率的控制要求更高。为了达到最优异的化学、物理和其他加工性能,医疗级芳香族和脂肪族的TPU推荐的含水率分别小于0.03%和0.05%。2.充分考虑四大基本参数
在加工过程中可接受的水分含量主要取决于加工温度、熔融TPU在设备内的停留时间等因素:
(1)温度合适的干燥温度可以使水分子在TPU中形成分子间的氢键断裂,从而释放出水分。较高的温度可以更快的干燥树脂,但过热可能导致氧化/或热降解。
(2)露点干燥设备中的露点仪为干燥设备是否有足够干燥的空气提供指示,空气会在粒子周围产生低的蒸汽压,可以把水分吸引到粒子的外面。
(3)时间TPU树脂需要足够的时间才能完全干燥。TPU的干燥时间取决于树脂成分、露点、含水量和干燥温度。
(4)气流干燥机能够在干燥机料斗中提供足够的气流,有效地将树脂加热到指定的干燥温度。我们推荐干燥机的空气露点为零下40°C,干燥能力根据生产的需求进行匹配。
知识点总结
(1)TPU树脂的干燥时间取决于干燥的温度和开始时的温度;
(2)TPU树脂加工前请使用水分测量仪测量干燥的TPU树脂来确认水分含量,芳香族TPU小于0.03%、脂肪族TPU小于0.05%;
(3)保持干燥:确保干燥后的树脂需要暴露于干燥温暖的空气中。如果加工设备上没有保持干燥的料斗而是直接暴露于潮湿的空气中,树脂的水分将由0.02%变成大于0.05%所需要的时间和温度的关系见表1。
表:TPU的水分将由0.02%变成大于0.05%所需要的时间和温度的关系